UBSP0008 - Belimo
USA Market Products
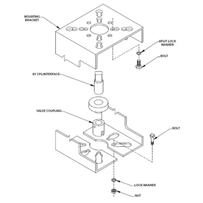
Retrofit valve linkage, Retrofit Linkage for Ball Valves
This item is temporarily out of stock.
It can be backordered right now, and we can ship it within 5 weeks.
0
UBSP0008
Belimo
SWITZERLAND
{{CMP.TITLE}}
- Features
- Comments (0)
-
Data Sheet
UBSP0008 - Belimo
USA Market Products
download pdfPlease contact us if you need any other document this item may have.
You can only download Technical Document (Datasheet) on this section.
Retrofit valve linkage, Retrofit Linkage for Ball Valves
Warranty :This product is under warranty for 2 years against manufacturing and material defects from the date of invoice. The invoice for the products also stands in place of the warranty certificate, a separate document is not issued.Delivery Information :The stock quantity information reported in the product details is up to date. Products in stock can be shipped immediately. Products that are not in stock and whose delivery time is separately reported are shipped when the supply period is completed.
Z2075QPTPF-G+CQBUP-3 - Belimo
USA Market Products
ZoneTight™ (PIQCV), 3/4", 2-way, GPM 9|Valve Actuator, Non fail-safe, AC 100...240 V, On/Off, Floating point
Z2050QPT-D+CQKB24-RR - Belimo
USA Market Products
ZoneTight™ (PIQCV), 1/2", 2-way, GPM 2|Valve Actuator, Electronic fail-safe, AC/DC 24 V, On/Off, Normally Closed, Fail-safe position Closed
FGVL+AVKB24-3 - Belimo
USA Market Products
Retrofit valve linkageFor Flanged Globe Valve with AVK/EV/RV Series Actuators|Valve Actuator, Electronic fail-safe, AC 24 V, On/Off, Floating point
B6300S-110+AFRX24-MFT - Belimo
USA Market Products
Characterized Control Valve (CCV), 3", 2-way, ANSI Class 125, Cv 110 |ConfigurableValve Actuator, Spring return, AC/DC 24 V, 2...10 V, MFT/programmable
B347+AFRB24-SR - Belimo
USA Market Products
Characterized Control Valve (CCV), 2", 3-way, Cv 29 |Valve Actuator, Spring return, AC/DC 24 V, 2...10 V, modulating
B340+AFRX24-S - Belimo
USA Market Products
Characterized Control Valve (CCV), 1 1/2", 3-way, Cv 37 |ConfigurableValve Actuator, Spring return, AC/DC 24 V, On/Off, 2 x SPDT
B218+LRB24-3-T - Belimo
USA Market Products
Characterized Control Valve (CCV), 3/4", 2-way, Cv 7.4 |Valve Actuator, Non fail-safe, AC/DC 24 V, On/Off, Floating point, terminals
B209B+TFRB120-S - Belimo
USA Market Products
Characterized Control Valve (CCV), 1/2", 2-way, Cv 0.8 |Valve Actuator, Spring return, AC 100...240 V, On/Off, 1 x SPDT
